×ðÁú¿­Ê±

×ÉѯÈÈÏß: 15229919913

רҵ¶Ï·Æ÷¡¢Æéá«Ñ¹³ÉÌ××°±¸

Éú²úÑз¢ÖÆÔì³§¼Ò

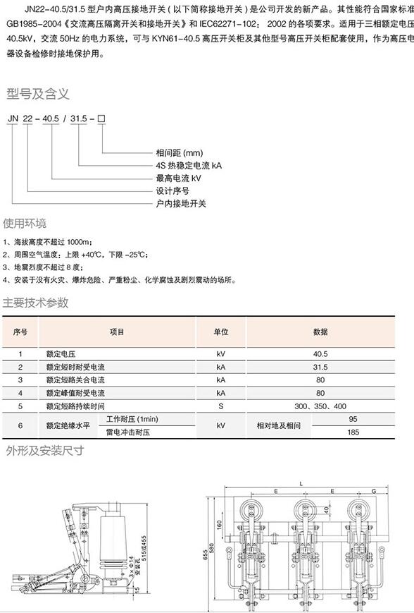
JN22B-40.5/31.5 ÐÍ»§ÄÚ¸ßѹ½ÓµØ¿ª¹Ø

Öֱ𣺠¸ßѹ½ÓµØ¿ª¹Ø

¼ò½é£ºJN22B- 40.5/31.5ÐÍ»§ÄÚ¸ßѹ½ÓµØ¿ª¹Ø(ÒÔϼò³Æ½ÓµØ¿ª¹Ø) ÆäÐÔÄÜÇкϹú¼Ò±ê×¼GB1985-2004¡¶½»Á÷¸ß

×ÉѯÈÈÏߣº15229919913


JN22B- 40.5/31.5ÐÍ»§ÄÚ¸ßѹ½ÓµØ¿ª¹Ø(ÒÔϼò³Æ½ÓµØ¿ª¹Ø) ÆäÐÔÄÜÇкϹú¼Ò±ê×¼GB1985-2004¡¶½»Á÷¸ßѹ¸ôÍÑÀë¹ØºÍ½ÓµØ¿ª¹Ø¡·ºÍIEC62271-102:2002µÄ¸÷ÏîÒªÇó£¬ÊÊÓÃÓÚÈýÏà¶î¶¨µçѹ 40.5Kv¡¢½»Á÷50HzµÄµçÁ¦ÏµÍ³£¬¿ÉÓëHYN61-40.5¸ßѹ¿ª¹Ø¹ñ¼°ÆäËûÐͺŸßѹ¿ª¹Ø¹ñÅäÌ×ʹÓã¬×÷Ϊ¸ßѹµçÆ÷×°±¸Ä¥Á·Ê±½ÓµØ± £»¤Óà ¡£ JN22B-40.5/31.5ÐÍ»§ÄÚ¸ßѹ½ÓµØ¿ª¹ØÊÇÔÚÉÏÊö½ÓµØ¿ª¹Ø»ù´¡ÉÏˢеÄ ¡£½á¹¹¾«Á·½ô´Õ£¬ÐÔÄÜÒ»Ö£¬±ãÓÚС½Ç¶È²Ù×÷£¬ÓëJN15-12ϵÁÐÏàͬ£¬¿É½ÓÄÉJN15-12µÄÅþÁ¬ºÍ´«¶¯¼þ ¡£


ʹÓÃÇéÐÎÌõ¼þ


1. ÖÜΧ¿ÕÆøÎ¶ȣºÉÏÏÞ+40¡æ £»ÏÂÏÞ-25¡æ £»


2. º£°Î¸ß¶È²»Áè¼Ý1000m £»


3. µØ¶¯ÁҶȲ»Áè¼Ý8¶È £»


4. ×°ÖÃÓÚûÓлðÔÖ¡¢±¬Õ¨Î£ÏÕ¡¢ÑÏÖØ·Û³¾¡¢»¯Ñ§ÇÖÊ´¼°Ç¿ÁÒÕñ ¶¯µÄ³¡ºÏ ¡£


Ö÷Òª½á¹¹


JN22B-40.5/31.5-400¸ßѹ½ÓµØ¿ª¹ØÓÐÖ§¼Ü¡¢½ÓµØµ¶×°Åä¡¢¾²´¥Í·¡¢´«¸ÐÆ÷¡¢Öá¡¢


¹Õ±Û¡¢Ñ¹»É¡¢µ¼µçÌ׹ܡ¢ÈíÅþÁ¬×é³É ¡£×¢£ºÖ§¼ÜÓɱ¡¸Ö°åÍäÇúºóº¸½Ó³É²¿¼þ£¬ÆäÓà¾ùΪ×é


װʽÁ㲿¼þ ¡£


Î÷°²¶Ï·Æ÷

Î÷°²¶Ï·Æ÷¹«Ë¾

ÔÚÏßÁôÑÔ

Related to recommend

Ïà¹ØÍÆ¼ö

Related to recommend

¡¾ÍøÕ¾µØÍ¼¡¿¡¾sitemap¡¿