×ðÁú¿­Ê±

½Ó´ý¹âÁÙ×ðÁú¿­Ê±¹Ù·½ÍøÕ¾£¡

רҵ¶Ï·Æ÷¡¢Æéá«Ñ¹³ÉÌ××°±¸Éú²úÑз¢ÖÆÔì³§¼Ò

15ÄêÒ»ÏßÂÄÀú£¬ÐÔÄÜÎȹ̿ɿ¿

ÌìÏÂ×ÉѯÈÈÏß

15229919913  

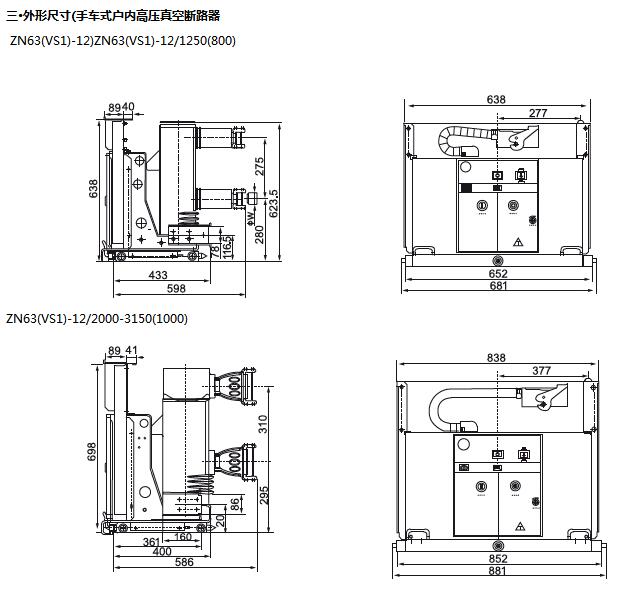
ZN63(VS1)-12»§ÄÚ¸ßÑ¹Õæ¿Õ¶Ï·Æ÷

¼ò½é¡ª¡ª Ò»¡¢¡¤²úÆ·¸ÅÊöZN63(VS1)-12»§ÄÚ¸ßÑ¹Õæ¿Õ¶Ï·Æ÷ÊÇÈýÏཻÁ÷50Hz£¬¶î¶¨µçѹΪ12kVµÄ»§ÄÚ¿ª¹Ø×°±¸£¬¿É¹©¹¤¿óÆó

ÁªÏµµç»°£º1522991991315229919913
ÂíÉ϶©¹º Á¬Ã¦×Éѯ

ÏêÇéÄÚÈÝ/ Content details

ÊÖ»úɨһɨ

Î÷°²¶Ï·Æ÷

Ò»¡¢¡¤²úÆ·¸ÅÊö
ZN63(VS1)-12»§ÄÚ¸ßÑ¹Õæ¿Õ¶Ï·Æ÷ÊÇÈýÏཻÁ÷50Hz£¬¶î¶¨µçѹΪ12kVµÄ»§ÄÚ¿ª¹Ø×°±¸£¬¿É¹©¹¤¿óÆóÒµ¡¢·¢µç³§¼°±äµçÕ¾¡¢µçÆøÉèÊ©µÄ¿ØÖƺͱ£»¤Ö®Ó㬲¢ÊʺÏÓÚÆµÈÔ²Ù×÷µÄ³¡ºÏ¡£½ÓÄÉVET²ÙÄîÍ·¹¹Óë¶Ï·Æ÷±¾ÌåÒ»Ì廯£¬Éè¼Æ¼´¿É×öΪÀο¿×°Öõ¥Î»£¬Ò²¿ÉÅäÓÃרÓÃÍÆ½ø»ú¹¹£¬×é³ÉÊÖ³µµ¥Î»Ê¹Óá£Ö÷»ØÂ·²¿·Ö¿É½ÓÄÉÕûÌå¹Ì·â¼«Öù£¬ÒÔʵÏÖ¶Ï·Æ÷СÐÍ»¯¡¢¸ß¿É¿¿¡¢Ãâά»¤£¬¿ÉÅäÓÃKYN28A-12(GZS)µÈÖÐÖÃÊÖ³µÊ½¿ª¹Ø¹ñ£¬Ò²¿ÉÅäÓÃÓÚXGNÀο¿Ê½¿ª¹Ø¹ñ¡£
¶þ¡¤Ê¹ÓÃÇéÐÎ
1.ÊÖ³µÊ½»§ÄÚ¸ßÑ¹Õæ¿Õ¶Ï·Æ÷ZN63(VS1)-12)1. ÇéÐÎζȣº²»¸ßÓÚ40¡æ£¬²»µÍÓÚ-10¡æ(ÔÊÐíÔÚ-30¡æÊ±´¢ÔË)¡£
2. º£°Î¸ß¶È£º²»Áè¼Ý1000m¡£
3. Ïà¶Ôʪ¶È£ºÈÕÆ½¾ùÖµ²»´óÓÚ95£¥£¬±¥ºÍÕôÆûѹÈÕÆ½¾ùÖµ²»´óÓÚ2.2¡Á10 MPa£¬ÔÂÆ½¾ù²»´óÓÚ1.8¡Á10 MPa¡£
4. µØ¶¯ÁÒ¶È£º²»³¬¶È8¼¶¡£
5. ÎÞ»ðÔÖ¡¢±¬Õ¨¡¢ÑÏÖØëçÅH¡¢»¯Ñ§ÇÖÊ´¼°Ç¿ÁÒÕñ¶¯µÄ³¡ºÏ¡£
2. º£°Î¸ß¶È£º²»Áè¼Ý1000m¡£
3. Ïà¶Ôʪ¶È£ºÈÕÆ½¾ùÖµ²»´óÓÚ95£¥£¬±¥ºÍÕôÆûѹÈÕÆ½¾ùÖµ²»´óÓÚ2.2¡Á10 MPa£¬ÔÂÆ½¾ù²»´óÓÚ1.8¡Á10 MPa¡£
4. µØ¶¯ÁÒ¶È£º²»³¬¶È8¼¶¡£
5. ÎÞ»ðÔÖ¡¢±¬Õ¨¡¢ÑÏÖØëçÅH¡¢»¯Ñ§ÇÖÊ´¼°Ç¿ÁÒÕñ¶¯µÄ³¡ºÏ¡£



Î÷°²¶Ï·Æ÷³§¼Ò

Î÷°²¶Ï·Æ÷¹«Ë¾

ɨһɨ¸ü¾«²Êɨһɨ¸ü¾«²Ê
  • ÁªÏµÈË£º¼Ö×Ü
  • ÁªÏµµç»°£º
  • ×ù»ú£º15229919913
  • 400µç»°£º15229919913
  • ÓÊÏ䣺342535298@qq.com
  • µØµã£ºÎ÷°²ÊÐÁÙäüÇøÎ¼±±¹¤ÒµÔ°Î¼Ë®Áù·ÖжÎ
ÔÚÏ߿ͷþ

ÈôÊÇÄú¶Ô´Ë²úÆ·¸ÐÐËȤ£¡ ÇëÖ±½ÓÁªÏµ×ðÁú¿­Ê±!

Ìá½»ÁôÑÔ Á¬Ã¦×Éѯ

Ïà¹ØÍÆ¼ö

HOT RECOMMEND

¿ìËÙͨµÀ Express Lane

×ÉѯÈÈÏß

1522991991315229919913

ÓÊÏ䣺342535298@qq.com

QQ£º342535298

°æÈ¨ËùÓУº×ðÁú¿­Ê±

  ±¸°¸ºÅ£ºÉÂICP±¸17019001ºÅ-1   ÍøÕ¾µØÍ¼   RSS    XML   ÉÂÎ÷|Î÷°²|À¼ÖÝ|
ÁªÏµÈË£º¼Ö×Ü    ÊÖ»ú£º    ÌìÏÂЧÀÍÈÈÏß15229919913    ÓÊ Ï䣺342535298@qq.com   µØµã£ºÎ÷°²ÊÐÁÙäüÇøÎ¼±±¹¤ÒµÔ°Î¼Ë®Áù·ÖжÎ
×ðÁú¿­Ê±Ö÷Òª´ÓÊÂÎ÷°²¶Ï·Æ÷,Î÷°²Æéá«Ñ¹³ÉÌ××°±¸,Î÷°²Ïä±ä µÄ²úÆ·,½Ó´ýǰÀ´×Éѯ!
ÊÖÒÕÖ§³Ö£º¶¯Á¦ÎÞÏÞ   Íò¼ÒµÆ»ð   
×ðÁú¿­Ê±¶þάÂë
x
¿Í·þÈÈÏß

15229919913

QQ×Éѯ Á¬Ã¦×Éѯ
ɨÃè¶þάÂë ¶þάÂë
¿Í·þÖÐÐÄ

¿Í·þÖÐÐÄ

¡¾ÍøÕ¾µØÍ¼¡¿¡¾sitemap¡¿